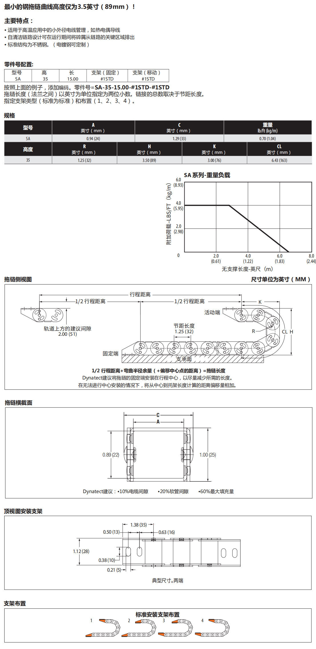
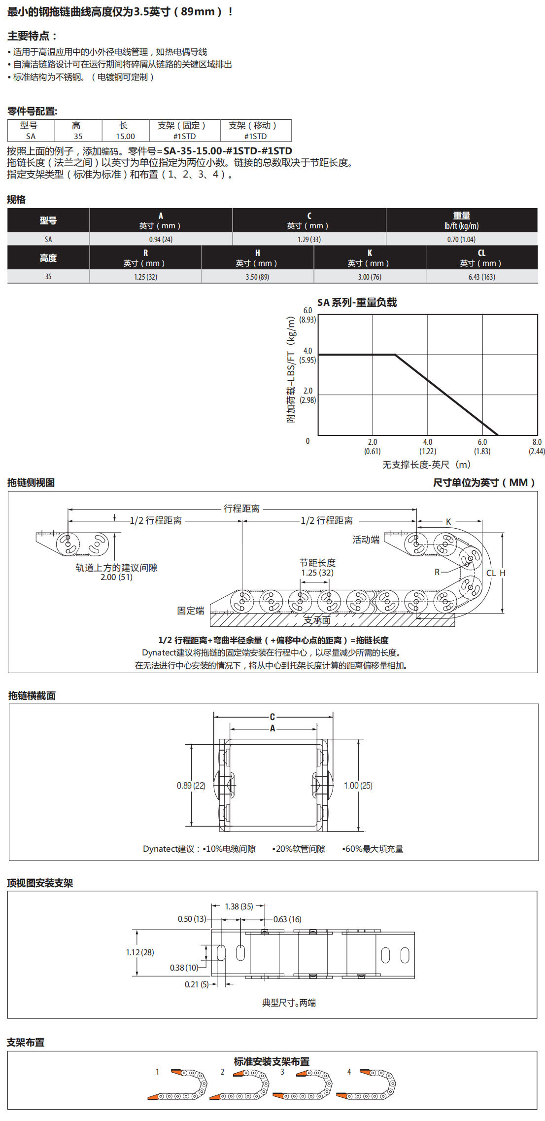
SA 系列 | GORTRAC®钢(开放式拖链)
拖链长度计算公式=(行程距离/2)+弯曲半径余量+偏移中心点的距离
对于最小的拖链长度,当机器处于行程中心时,移动支架应直接安装在固定支架上方。偏移中心点的距离是在行程中心的固定支架和移动支架之间的尺寸。
曲线高度(H)
在环上的拖链的总高度。当(H)为环路处的设计高度时,应在拖链上方留出间隙。这将是正确的金属或塑料拖链,以说明内置的弧度。Gortrac@拖链在连杆中设计了正拱度或预张力,以便在水平方向应用中提供额外的自支撑长度。
这个外倾角增加了轨道上方所需的间隙。(见“推荐间隙”规范)。在有限空间或非水平方向的应用中,可以减小或消除这种拱度。有关详细信息,包括无支撑跨度的任何折扣,请联系您的Dynatect代表。
拖链弯曲半径(R)
电缆和软管拖链的最小弯曲半径应大于安装在拖链中的静态电缆或软管的建议弯曲半径。有关建议的弯曲半径,请咨询电缆或软管制造商。
曲线长度(CL)=(Tx半径‘R‘)+(节距x2)
曲线长度取决于半径和连杆节距-参考系列规范。
节距
指相邻连接的轴心点中心线之间的距离。
拖链退回极限位置时的距离(K)
从第一个连杆枢轴点到收回托架未端的中心线。
装载量
拖链内电缆和软管的总重量。通常以每英尺磅数计算。如果软管中含有液体,请包括该重量。
最大速度
拖链移动端在移动过程中的最大速度。
最大加速度
拖链移动端在移动过程中的最大加速度。
无支撑跨度
每个拖链都有一个无支撑的跨度。这一跨度是连接结构的一个条件,以及所承载的电缆和软管的全部重量。当拖链的无支撑跨距超过时,拖链开始下垂。当拖链ll重量超过其自由承载长度时,Dynatect将建议适当的支撑引导。有关负荷图,请参阅系列规格。
金属拖链与塑料拖链
Dynatect提供塑料、金属和混合拖链,以满足最广泛的应用。一般情况下,在工作温度升高或重载超过塑料拖链的最大无支撑行程时,使用Gortrac钢制拖链并低速运行;总之,通过控制加速和减速,可以实现更高的速度。在需要更高速度、加速度和长距离行驶的应用中,塑料载体通常是首选。
Gortrac钢制拖链具有最高的强度重量比和最大的无支撑跨度能力。Dynatect提供了几种重量轻的钢制拖链,它们与塑料具有竞争性的价格,同时提供了比类似尺寸的塑料拖链更大的强度。
开放式与封闭式
Dynatect提供开放式和封闭式两种样式选项。开放式拖链便于检查电缆/软管,而封闭式托架可防止外部热切削屑对线缆的损坏。




